相數 | 2 |
|---|---|
步數/每圈 | 200 |
步距角(°) | 0.90 |
步距角精度 | ± 5% |
絕緣等級 | B(130°C) |
認證 | RoHS |
軸向負載(1000RPM下20000小時) | 25N(5.6 Lbs.)推力|65N(15 Lbs.)拉力 |
徑向負載(1000RPM下20000小時) | 30N(6.5 Lbs.) |
環(huán)境溫度 | -20°C~50°C |
IP 等級 | IP40 |
絕緣電阻(Ω) | 100 MΩ |
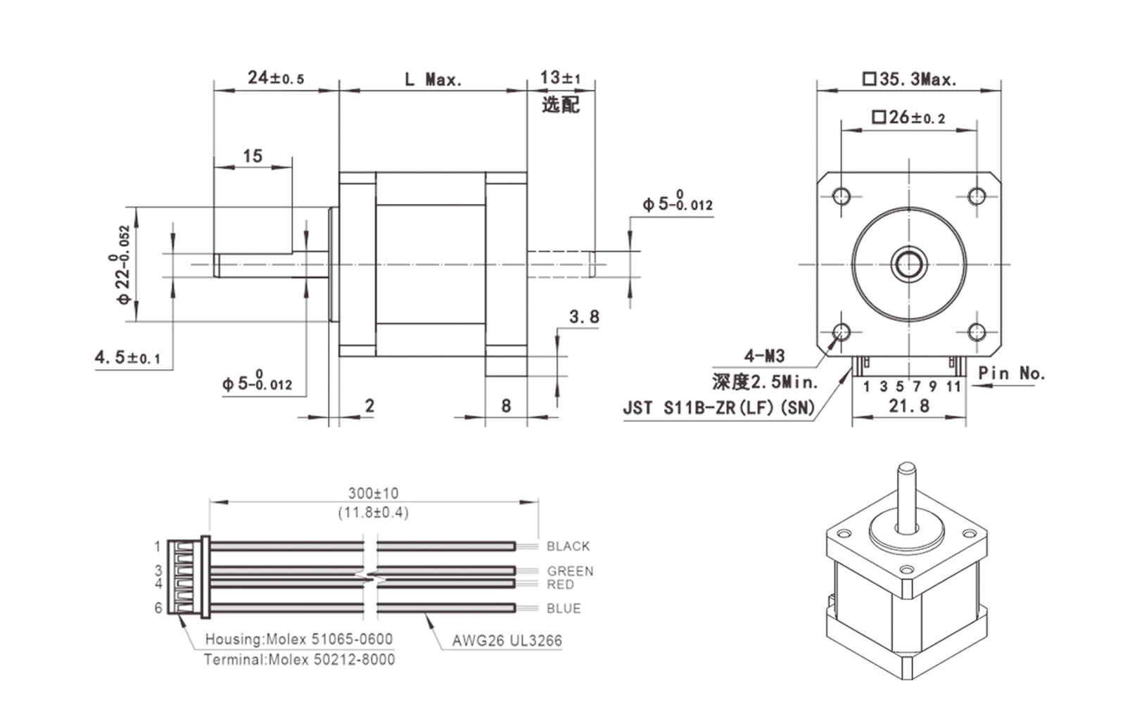
機身長L | 型號 | 靜力矩 | 電流 | 電阻 | 電感 | 定位力矩 | 轉動慣量 | 重量 |
|---|---|---|---|---|---|---|---|---|
mm | Type | N.cm | A | Ω | mH | mNm | g.cm2 | g |
20.00 | 5.00 | 0.40 | 22.00 | 16.00 | 1.90 | 10.00 | 95.00 | |
5.00 | 0.40 | 22.00 | 16.00 | |||||
28.00 | 9.00 | 0.55 | 10.00 | 9.50 | 4.00 | 12.00 | 130.00 | |
9.00 | 0.80 | 4.50 | 4.20 | |||||
12.00 | 0.80 | 5.50 | 7.00 | |||||
34.00 | 14.00 | 0.80 | 6.00 | 10.00 | 9.00 | 18.00 | 190.00 | |
10.00 | 0.40 | 30.00 | 18.00 | |||||
12.00 | 0.40 | 30.00 | 22.00 | |||||
18.00 | 0.80 | 6.50 | 11.00 | |||||
36.00 | 0.22 | 0.75 | 6.00 | 8.90 | 10.00 | 20.00 | 210.00 | |
42.00 | 22.00 | 0.80 | 10.50 | 13.00 | 15.00 | 22.00 | 200.00 | |
52.00 | 30.00 | 1.80 | 2.50 | 5.00 | 18.00 | 26.00 | 230.00 | |
67.00 | 0.40 | 1.00 | 5.10 | 8.30 | 18.00 | 35.00 | 300.00 |



